| 产品特性
±12V/2.5A ±15V/2A
±12V/2.5A 91% (28V 输入,±12V输出、满载) ±15V/2A 91.5% (28V 输入,±15V输出、满载)
负逻辑:EN连接到Vin-或者低电平模块正常工作 正逻辑:EN悬空或者高电平模块正常工作
i: -40 ~ 85℃ e: -40 ~ 100℃ s/m: -55 ~ 100℃ |
性能规格(at TA=+25℃)
| 型号 | 输入电压范围(V) | 输出 | 效率(%) | |||
| 输出功率(W) | 输出电压(V) | 调整率 | ||||
| 线性(%) | 负载 (%) | |||||
| GJQH61060DT120D | 9~40 | 60 | ±12 | ±0.5 | ±0.5 | 91 |
| GJQH61060DT150D | 9~40 | 60 | ±15 | ±0.5 | ±0.5 | 91.5 |
产品命名规则

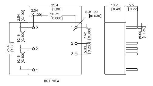
封装尺寸、引脚定义
单位:毫米 [英寸]
误差:x.x ±0.5mm [x.xx in. ±0.02in.], x.xx ±0.25mm [x.xxx in. ±0.010 in.] 除非有特别注明。
| 引脚 | 1 | 2 | 3 | 4 | 5 | 6 |
| 定义 | EN | VIN- | VIN+ | Vo+ | Com | Vo- |
| 功能描述 | 使能ON/OFF | 输入负 | 输入正 | 输出正 | 输出地 | 输出负 |
![]() | ||||||