| 产品特性
|
性能规格(at TA=+25℃)
| 产品型号 | 输入电压范围(V) | 输出 | 效率(%) | |||
| 电流(A) | 调节范围(V) | 调整率 | ||||
| 源 (%) | 负载(%) | |||||
| GJQH5230R | 4.5~14 | 6 | 0.6 ~ 5.5 | 1 | 1 | 95 |
产品命名规则

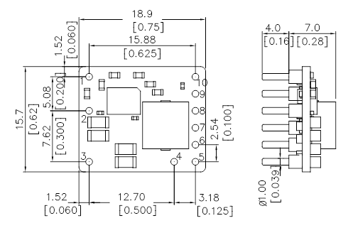
封装尺寸、引脚定义
单位:毫米 [英寸]
误差:x.x ±0.5mm [x.xx in±0.02 in],x.xx ±0.25mm [x.xxx in±0.01 in] ,特别注明除外。
| 引脚 | 功能描述 |
| 1 | 无连接 | |
| 2 | 输入正端 | |
| 3 | GND | |
| 4 | 输出正端 | |
| 5 | 差分采样正(S+) | |
| 6 | 差分采样正(S-) | |
| 7 | 输出电压调节端 | |
| 8 | 无连接 | |
| 9 | 无连接 | |
| 10 | 模块使能端/输入电压欠压保 护设置端EN/UVLO |