| 产品特性
50.8 mm x 12.9 mm x 7.0 mm 2.00 in x 0.51 in x0.28 in
可选配置
|
性能规格(at TA=+25℃)
| 产品型号 | 输入电压范围(V) | 输出 | 转换效率(%) | |||
| 电流(A) | 调节范围(V) | 调整率 | ||||
| 线性(%) | 负载(%) | |||||
| GJQH7250ASIP | 3~5.5 | 10 | 0.75~3.6 | 0.5 | 0.5 | 97 |
产品命名规则

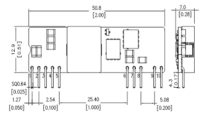
封装尺寸、引脚定义
单位:毫米[英寸]
公差:x.xx毫米 ±0.5毫米[x.xx英寸 ±0.02英寸];x.xxx毫米 ±0.25毫米[x.xxx英寸±0.01英寸]。
| 引脚 | 引脚名称 | 功能描述 |
| 1 | VO | 输出电压正 | |
| 2 | VO | 输出电压正 | |
| 3 | Sense | 远端采样正(S+) | |
| 4 | VO | 输出电压正 | |
| 5 | GND | 参考地 | |
| 6 | GND | 参考地 | |
| 7 | VIN | 输入电压正 | |
| 8 | VIN | 输入电压正 | |
| 9 | TRIM | 输出电压调整 | |
| 10 | EN | 输出使能 |