| 产品特性
22.3 mm x16.0 mm x 8.2 mm (GJQH7250R2T) 22.3 mm x16.0 mm x 8.3 mm (GJQH7250R2S)
|
性能规格(at TA=+25℃)
| 产品型号 | 输入电压范围(V) | 输出 | 转换效率(%) | |||
| 电流(A) | 调节范围(V) | 调整率 | ||||
| 线性(%) | 负载(%) | |||||
| GJQH7250R2x | 4.5~14 | 10 | 0.69~5.0 | ±1 | ±1 | 94 |
产品命名规则

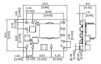
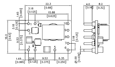
封装尺寸、引脚定义
单位:毫米 [英寸]
误差:x.x ±0.5毫米 [x.xx 英寸. ±0.02英寸.], x.xx ±0.25毫米 [x.xxx 英寸. ±0.010英寸.], 特别注明除外。
GJQH7250R2T
GJQH7250R2S | 引脚 | 功能描述 |
| 1 | 无连接 | |
| 2 | 输入电压正 | |
| 3 | 输入电压负 | |
| 4 | 输出电压负 | |
| 5 | 输出电压正 | |
| 6 | 远端采样正(S+) | |
| 7 | 远端采样负(S-) | |
| 8 | 输出电压调节端 | |
| 9 | 无连接 | |
| 10 | TRACK | |
| 11 | 输出使能 |