| 产品特性
|
性能规格(at TA=+25℃)
| 产品型号 | 输入电压范围(V) | 输出 | 转换效率(%) | |||
| 电流(A) | 调节范围(V) | 调整率 | ||||
| 线性(%) | 负载(%) | |||||
| GJQH7260R2T | 4.5~14 | 16 | 0.69~5.5 | ±0.5 | ±0.5 | 94 |
产品命名规则

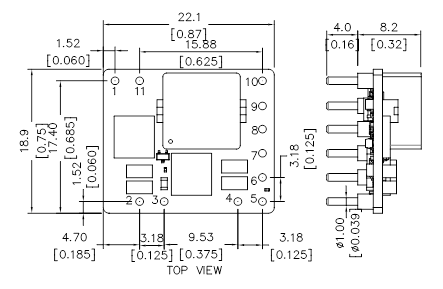
封装尺寸、引脚定义
单位:毫米 [英寸]
误差:x.x ±0.5毫米 [x.xx 英寸. ±0.02英寸.], x.xx ±0.25毫米 [x.xxx 英寸. ±0.010英寸.], 特别注明除外。
| 引脚 | 名称 | 功能描述 |
| 1 | NA | 无连接 | |
| 2 | VIN+ | 输入电压正 | |
| 3 | GND | 公共地 | |
| 4 | GND | 公共地 | |
| 5 | VOUT+ | 输出电压正 | |
| 6 | SNS+ | 远端采样正(S+) | |
| 7 | SNS- | 远端采样负(S-) | |
| 8 | TRIM | 输出电压调节端 | |
| 9 | NA | 无连接 | |
| 10 | TRACK | TRACK | |
| 11 | EN/UVLO | 输出使能/输入电压欠压保护 |