联系我们

电话:029-81138081

传真:029-81135581

邮箱:pj_elec@163.com

微信:pinjun-power

地址:西安市高新区细柳街办长安科技园发展大道25号军民融合创新港17楼

高压隔离DC-DC
当前位置:首页 > 产品展示 > 高压隔离DC-DC

GJQH652K0FT285

标准全砖尺寸、200V~420V输入、2000W、DC/DC电源模块



GJQH652K0FT285e-ND..jpg

产品特性

  • 全国产化

  • 业界标准尺寸和引脚定义

    119.0 mm x 63.1 mm x 13.0 mm

     4.69 in x 2.49 in x 0.51 in

  • 宽工作电压:200V ~ 420V

  • 单路输出:28.5 V /70.2A

  • 持续输出:2000W

  • 高效率:95.6 %(额定270V输入,28.5V输出@60%载)

  • 输出调节范围: 22.4V ~30.8V (默认28.5V输出)

  • 变频控制

  • 输出过流短路保护

  • 输入过欠压保护

  • 输出过压保护

  • 输出电压远端补偿

  • 开关控制:正逻辑/负逻辑

  • 工作温度(外壳温度):

     i:-40 ~ 85℃

     e:-40 ~ 100℃

     s/m: -55 ~ 100℃

性能规格(at TA=+25℃)

型号输入电压范围(V)输出效率(%)
输出功率(W)输出电压(V)调整率
线性(%)负载 (%)
GJQH652K0FT285200~420200028.51195.6

产品命名规则

1726189687554.jpg

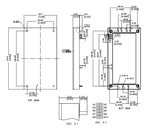
封装尺寸

单位:毫米 [英寸]

误差:x.x ±0.5mm [x.xx in±0.02 in],x.xx ±0.25mm [x.xxx in±0.01 in] 

    1725615722195.jpg

引脚定义

1725595206898.jpg