| 产品特性
i: -40 ~ 85℃ e: -40 ~ 100℃ s/m: -55 ~ 100℃
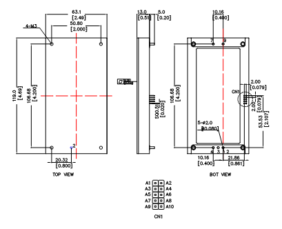
63.1 mm x 119 mm x 13 mm |
性能规格(at TA=+25℃)
| 型号 | 输入(L-N) | 输出 | ||||
| 电压(Vac,rms) | 频率(Hz) | 功率(W) | 设定点(V) | 调整率(V) | 效率(%) | |
| JGPFC-3PBN-2K4-270-F | 176~264 | 45~63 | 2400 | 270 | 见“注” | 96.6 |
注:1、并联模块均流采用输出电压下垂特性实现,空载至满载的电压压降约14V。
产品命名规则

封装尺寸 单位: 毫米[英寸] 精度: x.x ±0.5mm[0.02in],x.xx ±0.25mm[0.01in],除非特别注明。
| 引脚定义
|