| 产品特性
63.2mm x 60.6mm x 13mm
i: -40 ~ 85℃ e: -40 ~ 100℃ s/m: -55 ~ 100℃ |
性能规格(at TA=+25℃)
| 型号 | 输入 | 输出功率(W) | 输出 | |||
| 电压(VAC) | 频率(Hz) | 设定点(V) | 调整率(V) | 效率(%) | ||
| JGPFC-1PBN-1K2-3XX-H | 176~264 | 47-63 | 1200 | 385 | ±2% | 97 |
注: 3XX代表378或383或385或390。
产品命名规则

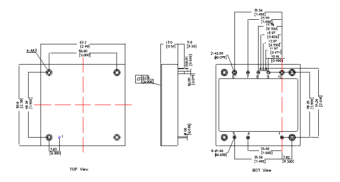
封装尺寸 单位: 毫米[英寸] 精度: x.x ±0.5mm[0.02in],x.xx ±0.25mm[0.01in],除非特别注明。
| 引脚定义
|