| 产品特性
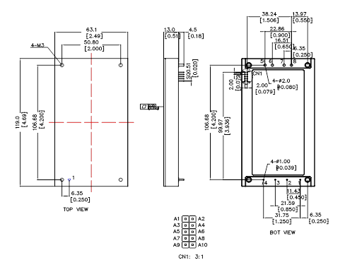
119mm x 63.1mm x 13mm
i: -40 ~ 85℃ e: -40 ~ 100℃ s/m: -55 ~ 100℃ |
性能规格(at TA=+25℃)
| 型号 | 输入 | 输出功率(W) | 输出 | |||
| 电压(VAC) | 频率(Hz) | 设定点(V) | 调整率 (V) | 效率 (%) | ||
| JGSPS-1PDN-500-012-F | 85~180 | 47 ~ 63 | 250 | 12 | ±2% | 88 |
| 176~264 | 500 | 12 | ±2% | 92 | ||
产品命名规则

封装尺寸 单位: 毫米[英寸] 精度: x.x ±0.5mm[0.02in],x.xx ±0.25mm[0.01in],除非特别注明。
| 引脚定义
|