| 产品特性
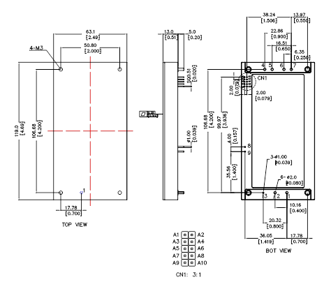
119.0 mm x 63.1 mm x 13.0 mm 4.69 in x 2.49 in x 0.51 in
i: -40 ~ 85℃ e:-40 ~ 100℃ s/m: -55 ~ 100℃ |
性能规格(at TA=+25℃)
| 型号 | 输入电压范围(V) | 输出 | 效率(%) | |||
| 输出功率(W) | 输出电压(V) | 调整率 | ||||
| 线性(%) | 负载(%) | |||||
| GJQH651K5FT285 | 200~420 | 1500 | 28.5 | 1 | 1 | 95.5 |
产品命名规则

封装尺寸 单位:毫米 [英寸] 误差:x.x ±0.5mm [x.xx in±0.02 in],x.xx ±0.25mm [x.xxx in±0.01 in] ,特别注明除外。
| 引脚定义
|